Sign In | Join Free | My brakesband.com
China LINK-PP INT'L TECHNOLOGY CO., LIMITED logo
LINK-PP INT'L TECHNOLOGY CO., LIMITED
LINK-PP INT'L TECHNOLOGY CO., LIMITED
Verified Supplier

13 Years

Home > RJ45 Multi Port Jack >

1-2250022-0 1-2250022-1 1-2250022-2 Gigabit RJ45 MagJacks with LED Variants

LINK-PP INT'L TECHNOLOGY CO., LIMITED
Trust Seal
Verified Supplier
Credit Check
Supplier Assessment
Contact Now

1-2250022-0 1-2250022-1 1-2250022-2 Gigabit RJ45 MagJacks with LED Variants

Brand Name : LINK-PP

Model Number : 1-2250022-0

Certification : RoHS Compliant

Place of Origin : Guangdong,China

MOQ : 100pcs

Price : $0.06-$3.2

Payment Terms : TT,NET30/60/90 Days

Supply Ability : 3KK/Month

Delivery Time : 3-5 days

Packaging Details : T&R

Speed : 10/100/1000 BASE-T

Number of Ports : 1x1 (Single Port)

Part Number : 1-1840865-4

Type : Gigabit MagJacks

Differernces : LED Options

Length : 21.65mm

Width : 16.13mm

Height : 13.75mm

Contact Now

1-2250022-0, 1-2250022-1, 1-2250022-2 MagJacks Description:

The Bel Fuse TRP RJ45 MagJack series — including models 1-2250022-0, 1-2250022-1, and 1-2250022-2 — features compact, high-performance 1x1 designed for 1000BASE-T Gigabit Ethernet applications. These connectors share the same electrical and mechanical specifications, such as standard size (21.65 x 16.13 x 13.75mm), tab-down port orientation, through-hole mounting, and a 0°C to +70°C operating temperature range. The key differentiator lies in their LED indicator configurations:

  • 1-2250022-0 utilizes ULWGA/ULWGA-type LEDs,
  • 1-2250022-1 uses dual green (G/G) LEDs, and
  • 1-2250022-2 offers a green/yellow (G/Y) LED combination.

All models are RoHS compliant, do not feature EMI grounding tabs, and are ideal for applications requiring compact Gigabit Ethernet connectivity with customizable LED indication. Designers can choose the appropriate part number based on system requirements and visual feedback preferences.

Specifications:

Part Number

1-2250022-0

1-2250022-1 1-2250022-2
Number of Ports Single Port Single Port Single Port
Data Rate 1000BASE-T 1000BASE-T 1000BASE-T
Height Profile Standard Standard Standard
LED Indicators With With With
LEDs Type ULWGA/ULWGA G/G G/Y
Operating Temperature 0 ~ +70ºC 0 ~ +70ºC 0 ~ +70ºC
Port Configuration Tab Down Tab Down Tab Down
EMI Fingers No No No
Mounting Type Through-Hole Through-Hole Through-Hole
RoHS Compliant YES YES YES

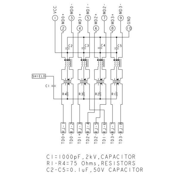
1-2250022-0, 1-2250022-1, 1-2250022-2 GIGABIT CIRCUIT:

1-2250022-0 1-2250022-1 1-2250022-2 Gigabit RJ45 MagJacks with LED Variants

1-2250022-0, 1-2250022-1, 1-2250022-2 DEMENSION:

1-2250022-0 1-2250022-1 1-2250022-2 Gigabit RJ45 MagJacks with LED Variants

1-2250022-0, 1-2250022-1, 1-2250022-2 SUGGESTED PCB LAYOUT:

1-2250022-0 1-2250022-1 1-2250022-2 Gigabit RJ45 MagJacks with LED Variants


Product Tags:

1-2250022-0

      

1-2250022-1

      

1-2250022-2

      
Quality 1-2250022-0 1-2250022-1 1-2250022-2 Gigabit RJ45 MagJacks with LED Variants for sale

1-2250022-0 1-2250022-1 1-2250022-2 Gigabit RJ45 MagJacks with LED Variants Images

Inquiry Cart 0
Send your message to this supplier
 
*From:
*To: LINK-PP INT'L TECHNOLOGY CO., LIMITED
*Subject:
*Message:
Characters Remaining: (0/3000)